Galvanic isolated Serial Port Converter
 
  
  
  
 | Product Type | Galvanic isolated TTL To RS485 converter | |
| Power supply interface | Power supply | 3.3V ~ 5V | 
|---|---|---|
| Protection | over-voltage, reverse-proof | |
| Device Port | TTL/RS485 standard compatible | |
| TTL | Connector | screw terminal | 
| Transmission distance | about 10m | |
| Transmission mode | point-to-point | |
| RS485 | Connector | screw terminal | 
| Protection | 600W lightningproof and surge-suppress, 15KV ESD protection | |
| Terminal resistor | 120R, enabled/disabled via switch | |
| Transmission Distance | About 1.2km | |
| Transmission Mode | point-to-multipoint (up to 32 nodes, it is recommended to use repeaters for 16 nodes or more) | |
| Appearance | Case | Rail-mount ABS case, suitable for 35mm DIN rail | 
| Dimensions | 91.6 × 58.7 × 23.3mm | |
 
  
 Easy To Combine Multi Rail-Mounted Serial Server Together, More Freely
 
  
  
  
  
  
 | TOP SIDE SCREW TERMINAL | BOTTOM SIDE SCREW TERMINAL | |||
| VCC | Power Input DC 3.3V~5V power supply | DIP SWITCH | 120R enable switch | |
| GND | Ground | SGND | RS485 signal ground | |
| TXD | TTL transmit data pin | A+ | RS485 differential signal positive | |
| RXD | TTL receive data pin | B- | 
 | |
TTL convert to RS485, point to point, half-duplex communication, suitable for interface conversion
 
  
  
  
 Two groups TTL To RS485 conversion, point-to-point, half-duplex communication, suitable for extending the communication distance of TTL
 
  
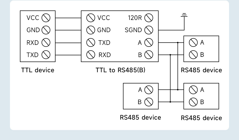
 The TTL To RS485 (B) can be widely used for point-to-point, point-to-multipoint, long distance cascaded communication network between two hosts, or between host and MCU/Peripheral. It also can be used in the application scenarios that require TTL To RS485 conversion such as Industrial Automation and IoT.
 
  
  
  
  
  
 | Predicted Available Time | Nov 10, 2025 | 
|---|